















Brand:
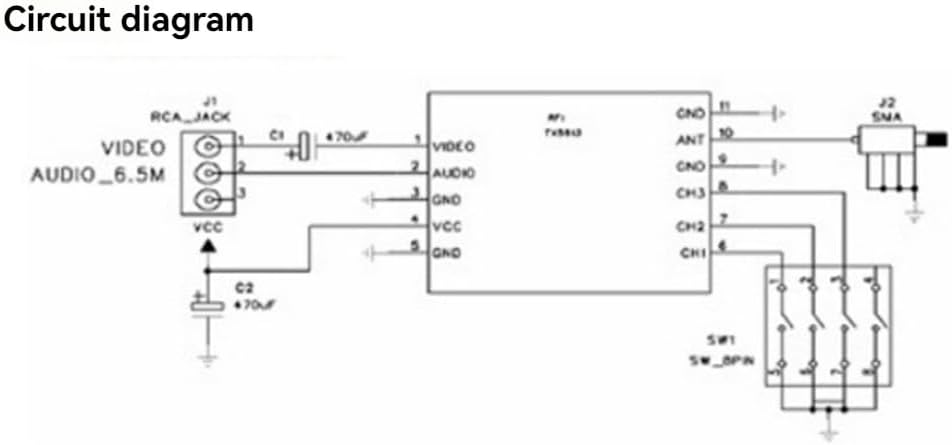
L'applicazione di questo modulo richiede solo un semplice collegamento di alimentazione, Audio, video e antenna per trasmettere segnali Audio e immagini. TX5813 è un modulo trasmettitore Audio e video FM che funziona nella banda ISM 5645-5945MHz (o utilizza la modalità SPI per controllare la banda tramite un microcontrollore esterno). Il modulo adotta un design a chip singolo,che VCO,PLL,modulazione video FM a banda larga e modulazione Audio FM,rendendo il modulo di piccole dimensioni,con basso consumo energetico e alta sensibilità; il modulo adotta una forma di pacchetto patch,che occupa spazio molto piccolo 'intera macchina. Confezione SMD di piccole dimensioni: 19x22x3 mm Trasmissione sincrona Audio e video FM a banda larga 5.8G Basso consumo energetico: 5 V 110 mA
EAN:
Categorie
Moduli sezioni
